首页
关于我们
产品中心
新闻中心
应用领域
联系我们
公司介绍
荣誉资质
金属电能计量箱
非金属电能计量箱 SMC/PC+ABS
电缆分支箱
端子箱/控制箱/配电箱
配套环网箱(箱式开闭所)型式
公司新闻
行业动态
JP 低压综合配电箱
在线咨询
产品详情
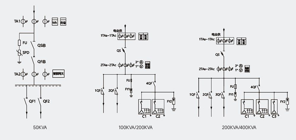
接线图
技术参数
产品名称
宽 W(mm)
高 H(mm)
深 E(mm)
50KVA
600
1350
700
100KVA/200KVA
800
1200
650
200KVA/400KVA
1350
1200
700
产品内部图